Zum Hauptinhalt springen Zur Suche springen Zur Hauptnavigation springen

8/3-Wege-Hydraulikventil, G 3/8", 12 V DC

Produktinformationen "8/3-Wege-Hydraulikventil, G 3/8", 12 V DC"

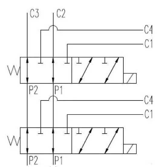
Das elektrisch betätigte 8/3-Wege-Hydraulikumschaltventil ermöglicht die Umschaltung des Hydraulikflusses zwischen drei doppeltwirkenden Verbrauchern mit nur einem Steuergerät. Es verfügt über acht Anschlüsse und drei Schaltstellungen, was die selektive Steuerung des Hydraulikflusses zu drei unterschiedlichen Verbrauchern ermöglicht. Dieses Ventil ist besonders geeignet für Anwendungen, bei denen mehrere Funktionen mit nur einem Steuergerät gesteuert werden sollen, und dient zur Erweiterung der Funktionalität eines bestehenden Hydrauliksystems, indem es die Steuerung zusätzlicher Verbraucher ohne zusätzliche Steuergeräte ermöglicht. Mit einem maximalen Betriebsdruck von 210 bar und einer Durchflussrate von 45 l/min bietet dieses Ventil eine effiziente Lösung für komplexe hydraulische Steuerungsanforderungen.

 

Funktion: Steuert den Volumenstrom zwischen einer Quelle und drei doppeltwirkenden Verbrauchern, ermöglicht die abwechselnde Versorgung der Verbraucher durch eine einzige Quelle.
Anwendung: Erweiterung der Funktionalität eines bestehenden Hydrauliksystems, indem zusätzliche Verbraucher ohne weitere Steuergeräte gesteuert werden können.


Technische Daten:

  • Anschlüsse: 8 Anschlüsse, 3 Schaltstellungen.
  • Betriebsdruck: Maximal 210 bar.
  • Durchflussrate: 45 l/min.
  • Anschlussgröße: 3/8" Gewinde.
  • Elektrischer Anschluss: Blockstecker.
  • Zusätzliche Anschlüsse: 1/4" Stopfen.
  • Gewicht: 6 kg.
  • Befestigung: M6-Schrauben.
  • Spannung: 12 V.

 

Merkmale:

Umschaltung zwischen drei Verbrauchern: Ermöglicht die selektive Steuerung des Hydraulikflusses zu drei unterschiedlichen doppeltwirkenden Verbrauchern.

Erweiterung von Hydraulikfunktionen: Dient zur Erweiterung der Funktionalität eines bestehenden Hydrauliksystems, indem es die Steuerung zusätzlicher Verbraucher ohne zusätzliche Steuergeräte ermöglicht.

Anzahl der Anschlüsse und Schaltstellungen: Verfügt über acht Anschlüsse und drei Schaltstellungen, was die Umschaltung zwischen drei Verbrauchern ermöglicht.

Produktgalerie überspringen

Zubehör

Spule für Magnetventile DSG-N-01, NG6, 24V Gleichstrom (DC)
Spule für Magnetventile DSG-N-01, NG6, 24V Gleichstrom (DC)

Dieses Magnetventil besticht durch seine hohe Qualität und seinen günstigen Preis.  Hydraulik-Komponente zur Integration in hydraulische Systeme Alle unsere Hydraulik-Produkte sind Neuware in Erstausrüsterqualität (außer wenn explizit anders angegeben). Sollte einmal ein gewünschter Artikel nicht vorrätig oder aufgeführt sein, so nehmen Sie gerne Kontakt mit uns auf. Wir werden dann umgehend versuchen, eine entsprechende Lösung nach Ihren Vorgaben zu finden. Darüber hinaus bauen wir unser Sortiment kontinuierlich weiter aus, um Ihnen eine große Auswahl an Hydraulik-Komponenten zu günstigen Preisen bieten zu können. Hydromot Hydraulik – immer günstig, immer gut!    Technische Daten passend für Hydromot Magnetventile NG6 24V Gleichstrom (DC)

43,19 € *